经济导报    原创    山东    公司    金融    山东国资    智库    鹰眼IPO    热点    好品山东    证券    消费    楼市
山东财经网 >> 山东
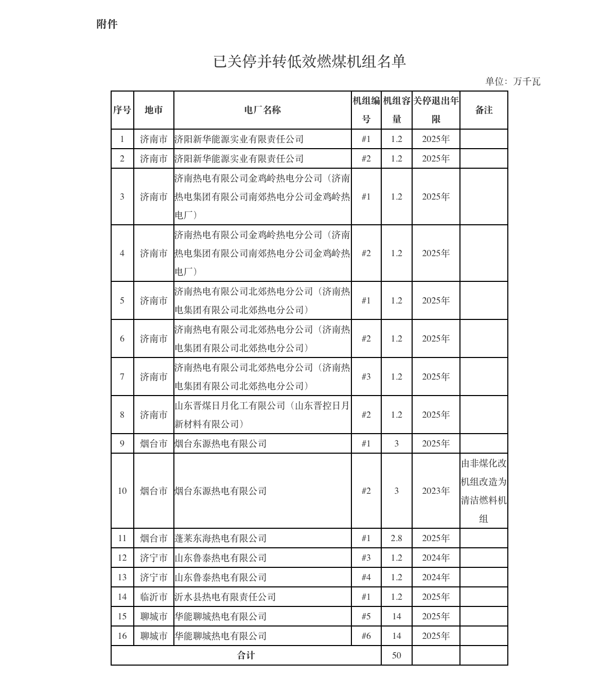
4市16台机组!山东公示已关停并转低效燃煤机组名单
来源:大众新闻·经济导报   加入时间:2025-10-13 14:45:05  

按照山东省关于关停淘汰30万千瓦以下低效燃煤机组相关工作要求,山东省能源局10月13日在官网发布了关于济南、烟台、济宁、临沂、聊城市已关停并转低效燃煤机组名单的公示,共计16台机组。名单如下:

(大众新闻·经济导报记者 初磊)




编辑:付建

[山东财经网声明]:凡本网注明“来源:经济导报·山东财经网”的所有作品,版权均属于经济导报·山东财经网。经济导报·山东财经网与作品作者联合声明,任何组织转载、摘编或利用其它方式使用上述作品,敬请注明出处和作者,违者必究!。凡本网注明来源非经济导报·山东财经网的作品,均转载自其它媒体,转载目的在于传递信息,更好地服务读者,并不代表本网赞同其观点,本网亦不对其真实性负责,持异议者应与原出处单位主张权利。如稿件版权单位或个人不想在本网发布,可与本网联系,本网视情况可立即将其撤除。如因作品内容、版权和其它问题需要同本网联系的,请30日内进行。

 

 

 

新闻推荐
 
·> 林清轩营收破10亿冲刺港股!“高端”根基有待加固
·> 贩卖“情绪价值”的Soul四闯IPO,剑指“Z世代社交第一股”
·> 智链全球粮油:东营综保区“智慧油库” 守护“万家油瓶”
·> 经导财评丨城市更新设施等纳入REITs,更大力度释放存量资产价值
·> 山东这里的万达广场被万达“赎回”!此前80多座被抛售
·> 背靠“三巨头”冲刺IPO,阿维塔高增长之下盈利承压
·> 成立新公司、恢复App功能,威马汽车“重启”之路能否走通?
·> 年报前夕高管接连离任,美邦服饰陷亏损、诉讼双重困局
Copyright @ 山东财经网   地址:济南市泺源大街2号 大众传媒大厦F24

邮编:250014    电子邮箱:sdenews@126.com

备案号:鲁ICP备2025182043号-1 公安备案号:鲁公网安备37010002000297号 互联网新闻信息服务许可证:37120220027

违法不良信息举报电话:0531-85196503 邮箱:sdenews@126.com